Chariot SACS(Save more electricity than a solar panel generates)

Hello, how are you? This time, I'll introduce a method for saving more electricity than a solar panel generates.

SACS fig1

Is it really possible to save more electricity than a solar panel generates? It's not about saving by using stored energy. And it's not about some fantasy like a perpetual motion machine. Furthermore, efficiency varies depending on various conditions, so you may or may not be able to save more electricity than a solar panel generates. Please consider that saving more electricity than a solar panel generates is possible in some cases and impossible in other cases. How do you think you can save more electricity than a solar panel generates?

I focused on power systems using PCs. Why PCs? That's because Almost all components inside a PC run on DC power, they use a certain amount of power, they are used throughout the year, and they are used for relatively long periods of time. Now, let me introduce the essence of the idea.

SACS fig2

Coordinated power supply to a PC is provided from two power systems: one from the solar panel and one from the PC power supply. Coordinated power supply is a method of combining power from the solar panel and that from the PC power supply using feedback control. Its unique feature is that it prioritizes power from the solar panel, and only uses power from the PC power supply to make up for any shortfall in the solar panel power. In this case, the power supply from the solar panel only undergoes a single power conversion, from 17V to 12V, and then from 17V to 5V. If the conversion efficiency of the power supply from the solar panel exceeds that of the PC power supply, then wouldn't you think that generating 1W with the solar panel could save more than 1W of power that would otherwise have to be supplied from 110V commercial AC in USA? In fact, for example, the conversion efficiency of the power supply from the solar panel is around 92%, while the conversion efficiency of the power supply from the PC power supply is around 88%. 92% of the power generated by the solar cell is the same as 88% of the power saved from commercial power. Therefore, the power saved from the commercial power supply divided by the power generated by the solar cell is 88/92. In this case, you can save more electricity than a solar panel generates. Efficiency varies depending on various conditions, and the control circuit itself consumes power. There are also factors such as a reduction in the processing power per power conversion circuit,so it is not necessarily possible to save more electricity than a solar panel generates. However, I hope you can see that it is possible to save more electricity than a solar panel generates.

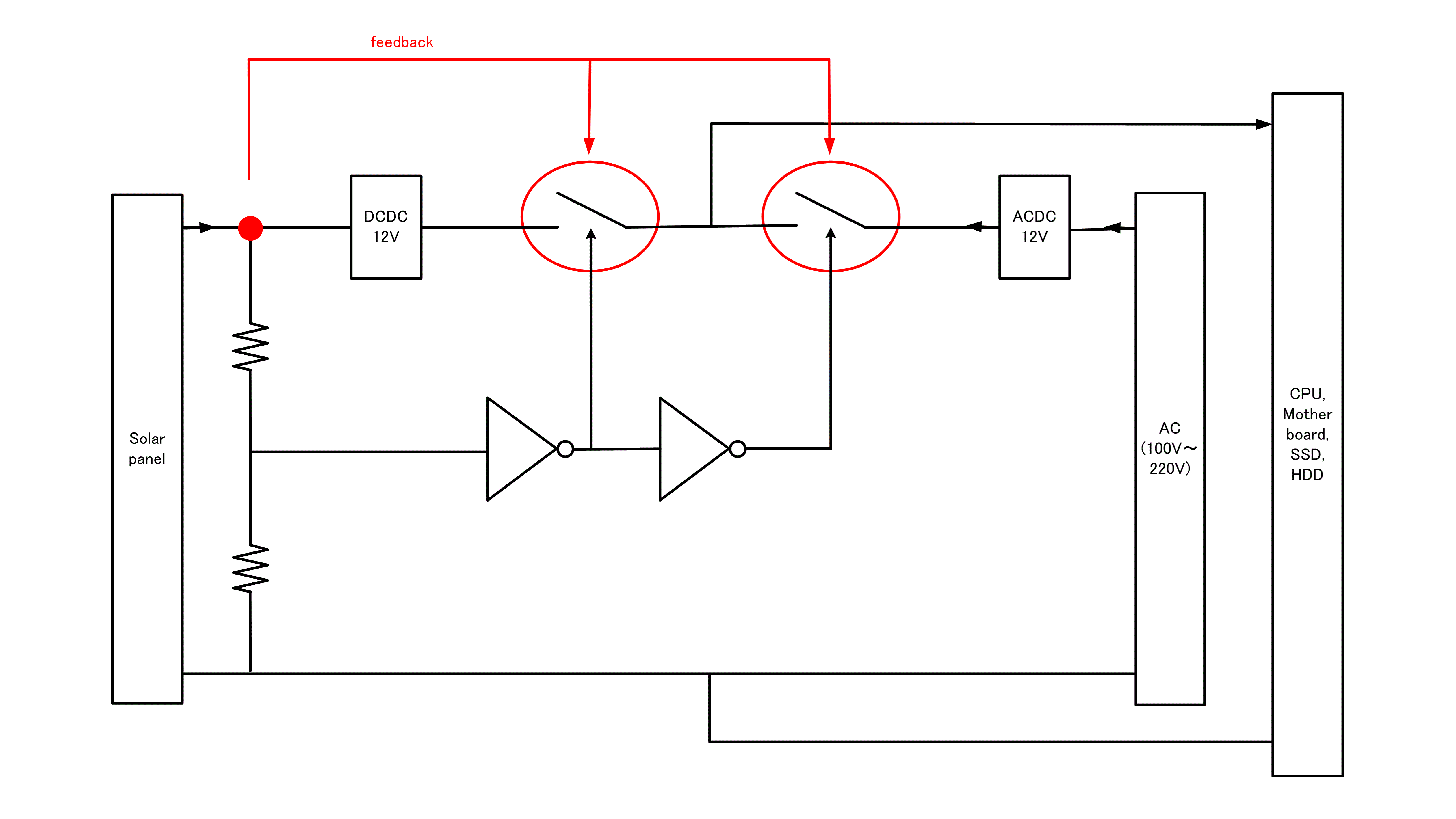
SACS fig3 SACS fig4

Now, let's take a more specific look at the circuit. The outline of the control circuit is as follows. This diagram is simplified from the actual circuit for ease of understanding. This method combines power from the solar panel and the PC power supply using feedback control. Its unique feature is that it prioritizes power from the solar cell and only uses power from the PC power supply if the power from the solar cell is insufficient, creating a coordinated power supply. Although we won't go into detail this time, static and dynamic margins are secured to ensure stable PC operation. In experiments, the PC was able to function for three consecutive months without any unintended power shutoffs or blue screen errors.

SACS fig5

When solar cells generate electricity, the power supplied from the solar cells is 48.9W, and the PC's power consumption is 63.7W. The PC's power consumption is 114W. In this case, the amount of power saved from 100V commercial AC in Japan, i.e. the amount of saved power from the PC's power consumption, is 50.3W. In this case, the power supplied from the DC power source simulating the solar cells divided by the saved power consumption of the PC is 103%. In this example, you can save more electricity than a solar panel generates.

In addition to the features introduced here, this system is packed with other advantages and innovations, such as extracting power from solar cells at the appropriate voltage, not requiring a reverse current prevention diode if only one solar cell is used, and being compatible with PC standby and power supply interlocking.

Finally, we will verify the investment return on this power supply system. Chariot SACS, which saves more electricity than a solar panel generates, has a planned price of 75 thousand yen, with 20 thousand yen for the solar panel and 5 thousand yen for the wiring. The system installation cost is 100 thousand yen. The solar panel are estimated to be approximately 160W. Assuming 40W of power is used for 8 hours, the electricity price is 40yen per kilowatt-hour, and efficiency is 100%, the daily electricity savings are 12.8yen. This calculates that the system will pay for itself in 21 years. If the cost of procuring energy from thermal power plants increases in the future and electricity prices rise, the payback period will be shorter.

SACS fig6

What did you think? We hope this technology will help improve the world's energy situation, even if just a little. Chariot Lab. Shop plans to sell a pre-assembled circuit board that can be installed inside a PC as a product sometime in 2026.

*The "SACS" in Chariot SACS stands for Solar Assisted Computer System. It automatically assists power only when solar power is generated.

Important Points

- DC Power Supply

→By using the solar power grid as DC without converting it to AC, it is possible to save more power from household consumption than is generated by the solar power.

- Coordinated Power Supply (This method combines power from the solar power grid and the PC power supply, using feedback control. Its unique feature is that it prioritizes power from the solar power grid and only uses power from the PC power supply to make up for any shortfalls in power from the solar power grid.)

→Even if the solar power grid is not generating power, power can be supplied from commercial AC (100V in Japan). When the solar power grid generates power, the amount generated or more can be saved from the PC's power consumption. And no battery is required.

・Ingenuity for stable PC operation

(Ensuring static and dynamic margins)

→Enables stable PC operation even without a battery, enabling easy DC power supply. The current version to be exhibited is currently undergoing reliability evaluation.

To Battery-less balcony solar power generation official page
To Chariot Lab. Official Page